|
电话:0532-86521117
传真:0532-86526877
| |

【点击查看大图 】
品牌资料
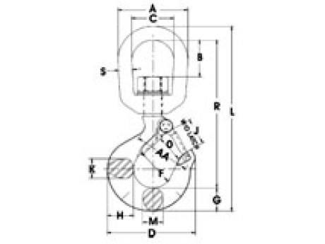
名称:322A 美式旋转钩
点击数:2199
录入时间:2010-12-01 18:47:45
详细介绍

 材料:合金钢
 热处理:调质,淬火
 表面:电镀锌或喷红塑
 破断拉力:4倍工作拉力
 包装: 纸箱包装
|
|
Working Load
Limit
(t)*
|
Weight
Each
(lbs.)
|
Dimensions (in.)
|
|
|
Alloy
|
A
|
B
|
C
|
D
|
F
|
G
|
H
|
J
|
K
|
L
|
M
|
O
|
R
|
S
|
AA
|
|
|
1
|
.75
|
2.00
|
.82
|
1.25
|
2.86
|
1.25
|
.73
|
.81
|
.93
|
.63
|
5.66
|
.63
|
.93
|
4.55
|
.38
|
1.50
|
|
|
1-1/2
|
1.25
|
2.50
|
1.31
|
1.50
|
3.15
|
1.38
|
.84
|
.94
|
.97
|
.71
|
6.71
|
.71
|
.97
|
5.37
|
.50
|
2.00
|
|
|
2
|
2.25
|
3.00
|
1.50
|
1.75
|
3.59
|
1.50
|
1.00
|
1.16
|
1.06
|
.88
|
7.75
|
.88
|
1.06
|
6.12
|
.63
|
2.00
|
|
|
3
|
2.30
|
3.00
|
1.50
|
1.75
|
4.00
|
1.62
|
1.13
|
1.31
|
1.19
|
.94
|
8.25
|
.94
|
1.16
|
6.50
|
.63
|
2.00
|
|
|
5
|
4.96
|
3.50
|
1.64
|
2.00
|
4.84
|
2.00
|
1.44
|
1.63
|
1.50
|
1.31
|
9.69
|
1.13
|
1.41
|
7.50
|
.75
|
2.50
|
|
|
7
|
10.29
|
4.56
|
2.29
|
2.50
|
6.28
|
2.50
|
1.81
|
2.06
|
1.78
|
1.66
|
12.47
|
1.44
|
1.69
|
9.63
|
1.00
|
3.00
|
|
|
11
|
16.18
|
5.00
|
2.53
|
2.75
|
7.54
|
3.00
|
2.25
|
2.63
|
2.41
|
1.88
|
14.75
|
1.63
|
2.22
|
11.37
|
1.13
|
4.00
|
|
|
15
|
23.25
|
5.62
|
2.48
|
3.12
|
8.34
|
3.25
|
2.59
|
2.94
|
2.62
|
2.19
|
16.40
|
1.94
|
2.41
|
12.25
|
1.25
|
4.00
|
|
|
22
|
47.00
|
7.10
|
3.76
|
4.10
|
10.34
|
4.25
|
3.00
|
3.50
|
3.41
|
2.69
|
21.34
|
2.38
|
3.19
|
16.71
|
1.50
|
5.00
|
|
|
30
|
70.50
|
7.10
|
3.76
|
4.10
|
13.62
|
5.00
|
3.61
|
4.63
|
4.00
|
3.00
|
23.25
|
3.00
|
3.25
|
18.01
|
1.50
|
6.50
|
点击数:2199 录入时间:2010-12-01 18:47:45【打印此页】【关闭此页】
|
|
|