|
电话:0532-86521117
传真:0532-86526877
| |

【点击查看大图 】
品牌资料
名称:S210 美式直形卸扣
点击数:2437
录入时间:2010-12-01 18:33:42
详细介绍
 
 材质:合金钢
 电镀锌或热镀锌
 热处理:淬火和调质处理
 破断拉力:6倍工作拉力
 包装:麻袋包装后打铁托盘
 打字要求:带China或无China
|
|
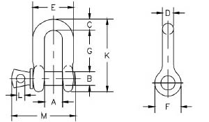
NominalSize(in.)
|
WorkinLoadLimit(t)*
|
WeightEach(lbs.)
|
Dimensions (in.)
|
Tolerance+/-
|
|
A
|
B
|
C
|
D
|
E
|
F
|
G
|
K
|
L
|
M
|
G
|
A
|
|
|
1/4
|
1/2
|
.11
|
.47
|
.31
|
.25
|
.25
|
.97
|
.62
|
.97
|
1.59
|
.19
|
1.43
|
.06
|
.06
|
|
|
5/16
|
3/4
|
.17
|
.53
|
.38
|
.31
|
.31
|
1.15
|
.75
|
1.07
|
1.91
|
.22
|
1.71
|
.06
|
.06
|
|
|
3/8
|
1
|
.28
|
.66
|
.44
|
.38
|
.38
|
1.42
|
.92
|
1.28
|
2.31
|
.25
|
2.02
|
.13
|
.06
|
|
|
7/16
|
1-1/2
|
.43
|
.75
|
.50
|
.44
|
.44
|
1.63
|
1.06
|
1.48
|
2.67
|
.31
|
2.37
|
.13
|
.06
|
|
|
1/2
|
2
|
.59
|
.81
|
.63
|
.50
|
.50
|
1.81
|
1.18
|
1.66
|
3.03
|
.38
|
2.69
|
.13
|
.06
|
|
|
5/8
|
3-1/4
|
1.25
|
1.06
|
.75
|
.63
|
.63
|
2.32
|
1.50
|
2.04
|
3.76
|
.44
|
3.34
|
.13
|
.06
|
|
|
3/4
|
4-3/4
|
2.63
|
1.25
|
.88
|
.81
|
.75
|
2.75
|
1.81
|
2.40
|
4.53
|
.50
|
3.97
|
.25
|
.06
|
|
|
7/8
|
6-1/2
|
3.16
|
1.44
|
1.00
|
.97
|
.88
|
3.20
|
2.10
|
2.86
|
5.33
|
.50
|
4.50
|
.25
|
.06
|
|
|
1
|
8-1/2
|
4.75
|
1.69
|
1.13
|
1.00
|
1.00
|
3.69
|
2.38
|
3.24
|
5.94
|
.56
|
5.13
|
.25
|
.06
|
|
|
1-1/8
|
9-1/2
|
6.75
|
1.81
|
1.25
|
1.25
|
1.13
|
4.07
|
2.69
|
3.61
|
6.78
|
.63
|
5.71
|
.25
|
.06
|
|
|
1-1/4
|
12
|
9.06
|
2.03
|
1.38
|
1.38
|
1.25
|
4.53
|
3.00
|
3.97
|
7.50
|
.69
|
6.25
|
.25
|
.13
|
|
|
1-3/8
|
13-1/2
|
11.63
|
2.25
|
1.50
|
1.50
|
1.38
|
5.01
|
3.31
|
4.43
|
8.28
|
.75
|
6.83
|
.25
|
.13
|
|
|
1-1/2
|
17
|
15.95
|
2.38
|
1.63
|
1.62
|
1.50
|
5.38
|
3.62
|
4.84
|
9.05
|
.81
|
7.33
|
.25
|
.13
|
|
|
1-3/4
|
25
|
26.75
|
2.88
|
2.00
|
2.12
|
1.75
|
6.38
|
4.19
|
5.78
|
10.97
|
1.00
|
9.06
|
.25
|
.13
|
|
|
2
|
35
|
42.31
|
3.25
|
2.25
|
2.36
|
2.10
|
7.25
|
5.00
|
6.77
|
12.74
|
1.13
|
10.35
|
.25
|
.13
|
|
|
2-1/2
|
55
|
71.75
|
4.12
|
2.75
|
2.63
|
2.63
|
9.38
|
5.68
|
8.07
|
14.85
|
1.38
|
13.00
|
.25
|
.25
|
点击数:2437 录入时间:2010-12-01 18:33:42【打印此页】【关闭此页】
|
|
|