|
电话:0532-86521117
传真:0532-86526877
| |

【点击查看大图 】
品牌资料
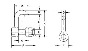
名称:G2150 美式直形卸扣
点击数:5818
录入时间:2014-10-07 09:28:27
详细介绍
 
 材质:碳钢
 电镀锌或热镀锌
 热处理:淬火和调质处理
 破断拉力:6倍工作拉力
 包装:麻袋包装后打铁托盘
 打字要求:带China或无China
|
ITEM
NO.
|
Nominal
Size(in.)
|
Working
Load
Limit
(t)*
|
Weight
Each(lbs.)
|
Dimensions (in.)
|
Tolerance
+/-
|
|
A
|
B
|
|
|
|
|
|
|
|
|
|
|
100080
|
3/16
|
1/3
|
.067
|
.38
|
.25
|
-
|
-
|
-
|
-
|
-
|
-
|
-
|
-
|
-
|
|
100081
|
1/4
|
1/2
|
.13
|
.47
|
.31
|
.25
|
.62
|
.91
|
1.59
|
.97
|
1.56
|
.25
|
.06
|
.06
|
|
100082
|
5/16
|
3/4
|
.23
|
.53
|
.38
|
.31
|
.75
|
1.07
|
1.91
|
1.15
|
1.82
|
.31
|
.06
|
.06
|
|
100083
|
3/8
|
1
|
.33
|
.66
|
.44
|
.38
|
.92
|
1.28
|
2.31
|
1.42
|
2.17
|
.38
|
.13
|
.06
|
|
100084
|
7/16
|
1-1/2
|
.49
|
.75
|
.50
|
.44
|
1.06
|
1.48
|
2.67
|
1.63
|
2.51
|
.44
|
.13
|
.06
|
|
100085
|
1/2
|
2
|
.75
|
.81
|
.64
|
.50
|
1.18
|
1.66
|
3.03
|
1.81
|
2.80
|
.50
|
.13
|
.06
|
|
100086
|
5/8
|
3-1/4
|
1.47
|
1.06
|
.77
|
.63
|
1.50
|
2.04
|
3.76
|
2.32
|
3.56
|
.63
|
.13
|
.06
|
|
100087
|
3/4
|
4-3/4
|
2.52
|
1.25
|
.89
|
.75
|
1.81
|
2.40
|
4.53
|
2.75
|
4.15
|
.81
|
.25
|
.06
|
|
100088
|
7/8
|
6-1/2
|
3.85
|
1.44
|
1.02
|
.88
|
2.10
|
2.86
|
5.33
|
3.20
|
4.82
|
.97
|
.25
|
.06
|
|
100089
|
1
|
8-1/2
|
5.55
|
1.69
|
1.15
|
1.00
|
2.38
|
3.24
|
5.94
|
3.69
|
5.39
|
1.00
|
.25
|
.06
|
|
100090
|
1-1/8
|
9-1/2
|
7.60
|
1.81
|
1.25
|
1.13
|
2.68
|
3.61
|
6.78
|
4.07
|
5.90
|
1.25
|
.25
|
.06
|
|
100091
|
1-1/4
|
12
|
10.81
|
2.03
|
1.40
|
1.25
|
3.00
|
3.97
|
7.50
|
4.53
|
6.69
|
1.38
|
.25
|
.06
|
|
100092
|
1-3/8
|
13-1/2
|
13.75
|
2.25
|
1.53
|
1.38
|
3.31
|
4.43
|
8.28
|
5.01
|
7.21
|
1.50
|
.25
|
.13
|
|
100093
|
1-1/2
|
17
|
18.50
|
2.38
|
1.66
|
1.50
|
3.62
|
4.87
|
9.05
|
5.38
|
7.73
|
1.62
|
.25
|
.13
|
|
100094
|
1-3/4
|
25
|
31.40
|
2.88
|
2.04
|
1.75
|
4.19
|
5.82
|
10.97
|
6.38
|
9.33
|
2.12
|
.25
|
.13
|
|
100095
|
2
|
35
|
46.75
|
3.25
|
2.30
|
2.10
|
5.00
|
6.82
|
12.74
|
7.25
|
10.41
|
2.36
|
.25
|
.13
|
|
100096
|
2-1/2
|
55
|
85.00
|
4.12
|
2.80
|
2.63
|
5.68
|
8.07
|
14.85
|
9.38
|
13.58
|
2.63
|
.25
|
.25
|
|
100097
|
3
|
85
|
124.25
|
5.00
|
3.25
|
3.00
|
6.50
|
8.56
|
16.87
|
11.00
|
15.13
|
3.50
|
.25
|
.25
|
点击数:5818 录入时间:2014-10-07 09:28:27【打印此页】【关闭此页】
|
|
|