|
电话:0532-86521117
传真:0532-86526877
| |

【点击查看大图 】
品牌资料
名称:G213 美式弓形平头卸扣
点击数:2429
录入时间:2014-10-07 09:53:15
详细介绍
 
 材质:炭钢
 电镀锌或热镀锌
 热处理:淬火和调质处理
 破断拉力:6倍工作拉力
 包装:麻袋包装后打铁托盘
 打字要求:带China或无China
|
|
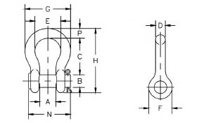
NominalSize(in.)
|
WorkingLoadLimit(t)*
|
WeightEach(lbs.)
|
Dimensions (in.)
|
Tolerance+/-
|
|
A
|
B
|
C
|
D
|
E
|
F
|
G
|
H
|
N
|
P
|
C
|
A
|
|
|
1/4
|
1/2
|
.13
|
.47
|
.31
|
1.13
|
.25
|
.78
|
.61
|
1.28
|
1.84
|
1.34
|
.25
|
.06
|
.06
|
|
|
5/16
|
3/4
|
.18
|
.53
|
.38
|
1.22
|
.31
|
.84
|
.75
|
1.47
|
2.09
|
1.59
|
.31
|
.06
|
.06
|
|
|
3/8
|
1
|
.29
|
.66
|
.44
|
1.44
|
.38
|
1.03
|
.91
|
1.78
|
2.49
|
1.86
|
.38
|
.13
|
.06
|
|
|
7/16
|
1-1/2
|
.38
|
.75
|
.50
|
1.69
|
.44
|
1.16
|
1.06
|
2.03
|
2.91
|
2.13
|
.44
|
.13
|
.06
|
|
|
1/2
|
2
|
.71
|
.81
|
.63
|
1.88
|
.50
|
1.31
|
1.19
|
2.31
|
3.28
|
2.38
|
.50
|
.13
|
.06
|
|
|
5/8
|
3-1/4
|
1.50
|
1.06
|
.75
|
2.38
|
.63
|
1.69
|
1.50
|
2.94
|
4.19
|
2.91
|
.69
|
.13
|
.06
|
|
|
3/4
|
4-3/4
|
2.32
|
1.25
|
.88
|
2.81
|
.75
|
2.00
|
1.81
|
3.50
|
4.97
|
3.44
|
.81
|
.25
|
.06
|
|
|
7/8
|
6-1/2
|
3.49
|
1.44
|
1.00
|
3.31
|
.88
|
2.28
|
2.09
|
4.03
|
5.83
|
3.81
|
.97
|
.25
|
.06
|
|
|
1
|
8-1/2
|
5.00
|
1.69
|
1.13
|
3.75
|
1.00
|
2.69
|
2.38
|
4.69
|
6.56
|
4.53
|
1.06
|
.25
|
.06
|
|
|
1-1/8
|
9-1/2
|
6.97
|
1.81
|
1.25
|
4.25
|
1.13
|
2.91
|
2.69
|
5.16
|
7.47
|
5.13
|
1.25
|
.25
|
.06
|
|
|
1-1/4
|
12
|
9.75
|
2.03
|
1.38
|
4.69
|
1.29
|
3.25
|
3.00
|
5.75
|
8.25
|
5.50
|
1.38
|
.25
|
.06
|
|
|
1-3/8
|
13-1/2
|
13.25
|
2.25
|
1.50
|
5.25
|
1.42
|
3.63
|
3.31
|
6.38
|
9.16
|
6.13
|
1.50
|
.25
|
.13
|
|
|
1-1/2
|
17
|
17.25
|
2.38
|
1.63
|
5.75
|
1.54
|
3.88
|
3.63
|
6.88
|
10.00
|
6.50
|
1.62
|
.25
|
.13
|
|
|
1-3/4
|
25
|
29.46
|
2.88
|
2.00
|
7.00
|
1.84
|
5.00
|
4.19
|
8.86
|
12.34
|
7.75
|
2.25
|
.25
|
.13
|
|
|
2
|
35
|
45.75
|
3.25
|
2.25
|
7.75
|
2.08
|
5.75
|
4.81
|
9.97
|
13.68
|
8.75
|
2.40
|
.25
|
.13
|
|
|
2 1/2
|
55
|
93.6
|
-
|
2.84
|
10.5
|
4.13
|
7.24
|
-
|
-
|
-
|
-
|
-
|
-
|
-
|
|
|
3
|
85
|
166.2
|
-
|
3.35
|
13.0
|
5
|
7.87
|
-
|
-
|
-
|
-
|
-
|
-
|
-
|
|
|
3 1/2
|
120
|
274.67
|
-
|
3.74
|
14.6
|
5.26
|
9
|
-
|
-
|
-
|
-
|
-
|
-
|
-
|
|
|
4
|
150
|
368.67
|
-
|
4.33
|
14.5
|
5.51
|
10
|
-
|
-
|
-
|
-
|
-
|
-
|
-
|
点击数:2429 录入时间:2014-10-07 09:53:15【打印此页】【关闭此页】
|
|
|